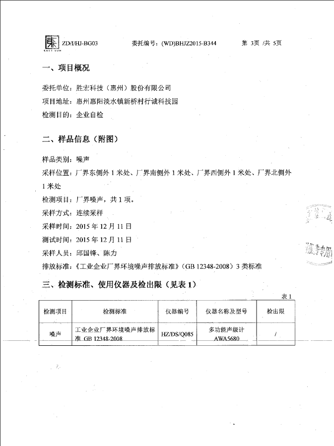
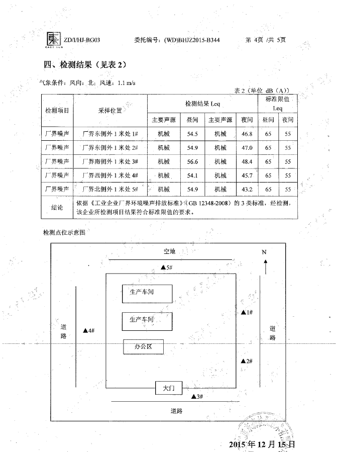
3044永利集团科技三款产品荣获“2024年广东省名优高新技术产品”称号
她力量 绽芳华|3044永利集团科技三八妇女节暖心活动绽放春日温情
3044永利集团科技(越南)有限公司盛大奠基
维胜科技荣登2024年度长沙经开区高质量发展大会光荣榜